Ventose in mousse con supporto

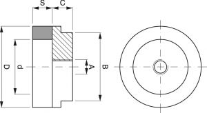
Art. | VentosaS. cupSaugn | + Disco+ Disc+ Scheibe | A | B | C | D | d | S |
---|---|---|---|---|---|---|---|---|
VGS 44 24 10 | GS 44 24 10 | D.VD6514 | 1/4" | 40 | 10 | 44 | 24 | 10 |
VGS 60 40 10 | GS 60 40 10 | D.VD9014 | 1/4" | 59 | 11 | 63 | 43 | 10 |
VGS 92 72 10 | GS 92 72 10 | D.VD12014 | 1/4" | 89 | 11 | 92 | 72 | 10 |
VGS 127 97 10 | GS 12 97 10 | D.VD16014 | 1/4" | 120 | 15 | 127 | 107 | 10 |
* Spessore standard DN 250
altre forme, dimensioni e spessori su richiesta
altre forme, dimensioni e spessori su richiesta