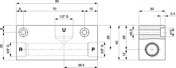
Generatori di vuoto monostadio a cartuccia mod. ECM 70S ÷ 150S
Generatori di vuoto monostadio, che utilizzano eiettori a cartuccia intercambiabili con portate che vanno da 70 a 150 Nl/min. Queste cartucce sono utilizzabili anche in configurazione parallela e previa realizzazione di un’adeguata foratura possono essere impiegate sulla struttura dell’applicazione grazie alla loro semplice realizzazione.
| ModelloModeltext | Pressione d'alimentazioneWorking pressureBetriebsdruck | Grado di vuoto massimo in kPaMaximum vacuum level in kPaMax. Vak.-grad in kPa | ||||||||||||||
|---|---|---|---|---|---|---|---|---|---|---|---|---|---|---|---|---|
| 3 BAR | 4 BAR | 5 BAR | 6 BAR | 7 BAR | ||||||||||||
| grado di vuoto kPavacuum level in kPaVak.-grad kPa | portata Nl/minvacuum fl ow Nl/minDurchsatz Nl/min | consumo Nl/minair comsuption Nl/minVer-brauch Nl/min | grado di vuoto kPavacuum level in kPaVak.-grad kPa | portata Nl/minvacuum flow Nl/minDurchsatz Nl/min | consumo Nl/minair comsuption Nl/minVer-brauch Nl/min | grado di vuoto kPavacuum level in kPaVak.-grad kPa | portata Nl/minvacuum flow Nl/minDurchsatz Nl/min | consumo Nl/minair comsuption Nl/minVer-brauch Nl/min | grado di vuoto kPavacuum level in kPaVak.-grad kPa | portata Nl/minvacuum flow Nl/minDurchsatz Nl/min | consumo Nl/minair comsuption Nl/minVer-brauch Nl/min | grado di vuoto kPavacuum level in kPaVak.-grad kPa | portata Nl/minvacuum flow Nl/minDurchsatz Nl/min | consumo Nl/minair comsuption Nl/minVer-brauch Nl/min | ||
| ECM 70S | 38 | 62 | 52 | 52 | 65 | 63 | 65 | 68 | 79 | 81 | 69 | 92 | 89 | 68 | 104 | 94,1 |
| ECM 90S | 52 | 75 | 99 | 70 | 82 | 128 | 86 | 92 | 158 | 92 | 88 | 179 | 91 | 83 | 219 | 91,9 |
| ECM 150S | 33 | 117 | 98 | 5 | 125 | 129 | 60 | 142 | 158 | 70 | 145 | 183 | 84 | 142 | 208 | 91,2 |
- Generatori di vuoto monostadio a cartuccia mod. ECM 15S ÷ 60S
- Generatori di vuoto monostadio a cartuccia mod. ECM 70S ÷ 150S
- Generatori di vuoto monostadio a cartuccia mod. ECM 200S - 240S
- Generatori di vuoto monostadio a cartuccia mod. ECMV 15 ÷ 60
- Generatori di vuoto monostadio a cartuccia IO-LINK mod. ECMVIO
- Generatori di vuoto monostadio a cartuccia mod. ECMVR 15 ÷ 60
- Generatori di vuoto monostadio a cartuccia mod. ECMV 70 ÷ 150
- Generatori di vuoto monostadio mod. EVM1C
- Generatori di vuoto monostadio mod. EVM2C
- Generatori di vuoto monostadio mod. EVM3
- Generatori di vuoto monostadio mod. EVM3 SG
- Generatori di vuoto monostadio mod. EVM4C con camera di espulsione
- Generatori di vuoto monostadio mod. EVM5C