Pompe a palette per alto vuoto - 106-151 mc/h
Caratteristiche
Le pompe per vuoto monostadio a iniezione d’olio Gamavuoto sono il risultato di un’esperienza pluriennale nel campo della tecnologia del vuoto tesa ad un costante adeguamento delle esigenze dell’industria e dell’ambiente. La loro vasta gamma di prestazioni (portata 5 m3/h a 250 m3/h) offre ad ogni utente la pompa rispondente alle sue necessità. Esse presentano le seguenti caratteristiche principali:
- possibilità di esercizio in qualsiasi campo di pressione da 400 mm HG a 759 mm HG
- a richiesta disponibile versione per bassi valori di depressione
- basso livello di rumorosità, scarse vibrazioni
- efficace raffreddamento ad aria, facilità di montaggio
- robustezza
- manutenzione semplice
- possibilità di adattamento per la soluzione di numerosi problemi, grazie alla vasta gamma di accessori
- temperatura di esercizio da 0°C a +50°C

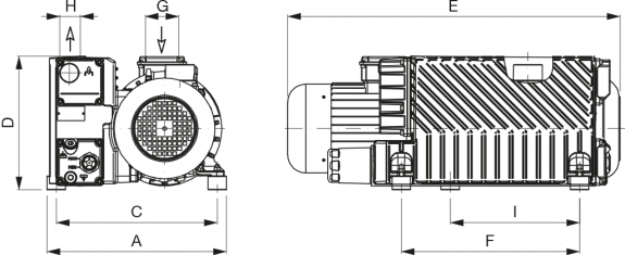
Art. | Volume aspiratoVacuum flowVakuum-Durchsat | Press. finaleFinal pressure ABSEnddruck | VelocitàRpmGeschwindigkeit | Potenza motoreMotor powerMotorleistung | PesoWeightGewicht | A | B | C | D | E | F | G | H | I | |||
---|---|---|---|---|---|---|---|---|---|---|---|---|---|---|---|---|---|
50 Hz Mc/h |
60 Hz Mc/h |
mbar (ass.) | 50 Hz g/min |
60 Hz g/min |
50 Hz Kw |
60 Hz Kw |
kg | ||||||||||
GPZL 106 | 106 | 127 | 0,1 | 1400 | 1700 | 2,2 | 3,7 | 70 | 392 | 315 | 352,5 | 292 | 706 | 390 | 1-1/2" | 1-1/4" | 283 |
GPZL 106 K Zero* | 106 | 127 | 4 | 1400 | 1700 | 2,2 | 3,7 | 70,5 | 392 | 315 | 352,5 | 292 | 705 | 390 | 1-1/2" | ||
GPZL 151 | 151 | 181 | 0,1 | 1400 | 1700 | 3,3 | 3,7 | 82 | 392 | 315 | 352,5 | 292 | 743 | 390 | 1-1/2" | ||
GPZL 151 K Zero* | 151 | 181 | 4 | 1400 | 1700 | 3,3 | 3,7 | 80 | 392 | 315 | 352,5 | 292 | 747 | 390 | 1-1/2" |
- Pompe a palette per alto vuoto - 2-5 mc/h
- Pompe a palette per alto vuoto - 8-12 mc/h
- Pompe a palette per alto vuoto - 20 mc/h
- Pompe a palette per alto vuoto - 25 mc/h
- Pompe a palette per alto vuoto - 40-60 mc/h
- Pompe a palette per alto vuoto - 106-151 mc/h
- Pompe a palette per alto vuoto - 205-305 mc/h