Vacuum valves with pneumatic control
The 2 or 3-way position valves are useable N.O. or N.C.
- Valve body : painted aluminium
- Spring: harmonic steel
- Gaskets: Viton
- Fluid temperature: -5°C + 60°C

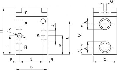
Art. | AØ | Orif. Ø | B | C | FØ | GØ | H | I | L | M | N | O | R | S | Portata m3/hCapacity m3/hDurchsatz m3/h |
---|---|---|---|---|---|---|---|---|---|---|---|---|---|---|---|
EPP 1/4" | 1/4" | 8 | 58.5 | 32 | 4.5 | 1/8" | 79 | 35.5 | 47 | 36 | 24 | 23 | 10 | 40 | 5 |
EPP 1/2" | 1/2" | 15 | 70 | 35 | 6.5 | 1/8" | 87 | 33 | 51 | 33 | 16 | 34 | 10 | 50 | 20 |
EPP 3/4" | 3/4" | 19 | 80 | 50 | 8.5 | 1/8" | 118 | 43 | 83 | 51 | 21 | 58 | 10 | 60 | 35 |
EPP 1" | 1" | 25 | 80 | 50 | 8.5 | 1/8" | 118 | 43 | 83 | 51 | 21 | 58 | 10 | 60 | 90 |
* A 755 mm Hg
The 3 way vacuum valves can operate as 2 way systems, with the use of a plug.
The 3 way vacuum valves can operate as 2 way systems, with the use of a plug.

NC
P OUTLET
R USE
A PUMP
Y AIR CONTROL 3:8 bar
NO
P PUMP
R USE
A OUTLET
Y AIR CONTROL 3:8 bar
P OUTLET
R USE
A PUMP
Y AIR CONTROL 3:8 bar
NO
P PUMP
R USE
A OUTLET
Y AIR CONTROL 3:8 bar